83~86年於羽冠

回首頁

 

 

XX 電 子 股 份 有 限 公 司  CNC機台電腦連線系統

 

 

     本系統於DOS 5.0 及倚天中文3.5上所開發,主要以Turbo C 2.0 Micro assembly 為開發語言,控制盒及S&M 介面卡主要以8051單晶卡為核心。

CNC 電腦連線系統 CONSOLE 功能

 

[F1]->設定:設定料號給機台叫用.                                            

[F2]->編輯:選擇此功能可進入編輯程式內查看程式帶內容.                 

[F3]->目錄:此功能可查看程式目錄.                                        

[F5]->記錄:查詢所有傳送過的檔案記錄.                                    

[F6]->狀態:進入此畫面可看到所有 Data Selector 目前的狀況.              

[F10]->結束:離開系統.                                                  

機台料號設定:                                                           

  . 設定料號步驟:                                                      

     1.先指定料號<F3>料號.                                              

     2.再設定料號<F1>設定.                                             

  .功能鍵說明.                                                       

    [F1]->設定:將目前料號設定給光棒所在處,使用者可用上,                  

          ,,,四個游標鍵移動光棒.                                  

                                                                        

    [F2]->清除: F2 鍵按下時,光棒所在處的欄位將清為空白.                 

                                                                         

    [F3]->料號:設定目前料號.                                            

          按下 F3 鍵後,系統將出現一視窗,要求使用者輸                    

          入一料號檔名,使用者需依照畫面上指定格式輸                     

          入檔名,輸入正確後,即可用 [F1] 將此料號設定給任何機台.

    [F9]->放棄:放棄剛才所做的任何變更後離開,一切回復成上一次狀態.

    [F10]->完成:當設定完成後,按下此鍵,即存檔後離開.

    特性說明:當設定完成後,約需等侯一分鐘,才能在Data Selector 上看到新的設定.                              

[F2]->編輯:選擇此功能可進入編輯程式內查看程式帶內容.                    

           按下此鍵後,系統將出現一視窗,要求使用者輸入一料號             

           檔名,使用者需依照畫面上指定格式輸入檔名,輸入正確             

           ,即進入編輯程式畫面.

[F3]->目錄:此功能可查看程式目錄.                                        

           按下此鍵後,系統將出現一視窗,要求使用者輸入查詢條             

           ,例如  A*.*  可查詢以 A 開頭的所有檔案, 敲入             

           A1234.*  可查詢主檔名為 A1234 的所有檔案.                   

[F5]->記錄:查詢所有傳送過的檔案記錄.                                    

           使用者可設定條件作顯示,列印及刪除功能.                       

           系統所記錄的項目包括 傳送日期,時間,所叫用的機台,             

           及是否傳送完成,所謂傳送未完成,意指在傳送中途被中              

           斷掉了.(如操作者選擇 [取消] 鍵或關機.)                      

           [F1]->開始日期:設定查詢條件的開始日期.                      

           [F2]->截止日期:設定查詢條件的截止日期.                      

           [F3]->機台:選擇欲查詢的機台條件,可設定全部或個別機台查詢.

           [F4]->料號:設定欲查詢的料號條件.

           [F5]->重新顯示:當重新設定查詢條件後,螢幕上並不會立即更新顯示內容,使用者,可按此鍵重新顯示.

           [F6]->列印:將所有符合條件的記錄由列表機列印出來.

           [F7]->刪除:將所有符合條件的記錄刪除.

           [PgUp]->上一頁.

           [PgDn]->下一頁.

           [HOME]->回到記錄的第一頁.按此鍵也有重新顯示的功能.

           [END]->跳到記錄的最後一頁.

           [F10]->離開回主畫面.

[F6]->狀態:進入此畫面可看到所有 Data Selector 目前的狀況.

[F10]->結束:離開系統.                                                   

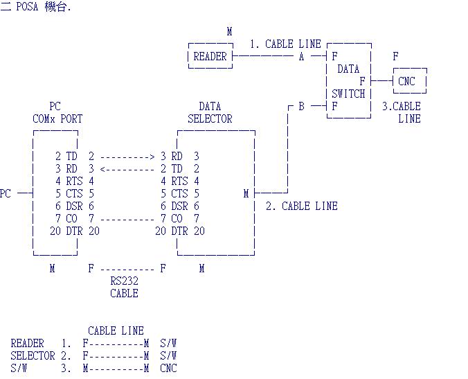
.DATA SELECTOR 操作說明

  DATA SELECTOR 功能在於連繫 PC CNC 之間的通訊,其關係如下:

   PC --> DATA SELECTOR --> CNC            

  按鍵說明:                                                             

    [] :選擇上一個檔名.                                               

          LCD 顯示板上順序顯示上一個檔名.

    [] :選擇下一個檔名.                                               

          LCD 顯示板上順序顯示下一個檔名.

  [確認] :確認等待傳送.                                                 

          當選擇到所要傳送的檔案後,按下此鍵,LCD 顯示板上即顯示 Wait Transmit (等待傳送) ,待與 CNC 取得同步後,即開始傳送.

  [取消] :中斷傳送.                                                     

          在傳送途中,按下此鍵,可中斷傳送.                            

.異常處理:                                                            

   DATA SELECTOR [],[] ,LCD 顯示板無動作時,使用             

   者可將 DATA SELECTOR 背後的開關 (POWER) 關掉重開,再試一              

   ,若仍無動作時,請將連接此 DATA SELECTOR PC 重新開機,             

   若再無動作時,請與我們連絡.                                           

.機台操作:                                                            

   (1).Posalux 機台.                                                

         輸入 ED 再選擇功能鍵〔ETC〕->〔PR-M〕->             

           〔ASCII〕->〔NEW〕.                              

   (2). Excellon 機台.                                               

        (1).先檢查機台是否有磁碟片.                                     

        (2) DATA SELECTER 按〔確認〕時鉆孔資料直接存入磁              

            碟機.Excellon 機台不操作.                                 

   (3).Hitachi 機台.                                                

         [Back-Ground]                                               

 

 

 

 

   

DNC Control Box firmware 部份程式碼.

自行研發 S&M 介面卡Firmware 部份程式碼

個人電腦端以RS232為主要通訊介面,下圖為PC 端部份程式碼:

 

機台控制部份程式碼:

 

 

RS232C之電器規格                                  

   發出端:                                           

     1.最大輸出電壓(無負荷)    +25V                  

     2.最小輸出電壓(有負荷)    +5 - +25V (負荷3-7)   

     3.電切斷時最小輸出電阻    300                   

     4.短路時最大輸出電流      500mA                

   接收端                                            

     1.輸入電阻                 3-7K                 

     2.輸入定限電壓             +3V                   

     3.輸入電壓                 +25V                

   RS232C連線方法                                    

   TXD   2            2                              

   RXD   3            3                              

   GND   7            7                               

 

 

 

 

 

 

 

 

 

回首頁